-
Mensajes
13.003 -
Ingresó
-
Última visita
Tipo de contenido
Perfiles
Foros
Calendario
Tienda
Todo lo publicado por a34323
-
Me encanta el coche...madre mía....Los tienes cuidado de vicio....sin duda tengo una pequeña envidia de como los mantienes tan bien. Enhorabuena!! Por cierto. que cera le tienes dada al rojillo? Que notar, se nota....o eso me parece a mí por las fotos...
-
A colación de lo que comentas Alvaro, he encontrado este video sobre mi modelo de coche en una situación muy dificil, y con bastante menos pendiente que la que te trae en este tema....Es malo en calidad, pero me ha gustado ver hasta donde no llega mi coche.
-
En este video igual son las manos del conductor del Ranger....pero vamos...que visto lo visto, ese coche no me gusta nada... name="allowFullScreen" value="true"></param><param name="allowscriptaccess" value="always"></param><embed src=" type="application/x-shockwave-flash" allowscriptaccess="always" allowfullscreen="true" width="560" height="340"></embed></object>"> name="allowFullScreen" value="true"></param><param name="allowscriptaccess" value="always"></param><embed src=" type="application/x-shockwave-flash" allowscriptaccess="always" allowfullscreen="true" width="560" height="340"></embed></object>" type="application/x-shockwave-flash" width="425" height="350">
-
Anda que no es ridículo el X6...yo que pensaba que sería más competente....se conoce que solo lo han fabricado como un coche alto para carretera y listo. Menuda decepción que se van a llevar los propietarios que se encuentren en situaciones similares al del video de Top gear
-
Temperatura de motor en A6 2.5 TDI Quattro
a34323 responde a Fuego_Rider de discusión en Audi A6 / Allroad C5 (1997-2004)
Por curiosidad....que aceite le echas al coche? -
Truco para no helarme la mano?
a34323 responde a JuanjoA3 de discusión en Cuidados básicos y limpieza del automóvil.
Pues como no uses agua caliente....LLevate al lavadero una garrafa de 5-8 litros de agua algo calentita y con eso ya harás todo el trabajo tranquilamente. A mí también se me han quitado las ganas estas navidades de lavar el coche, pero debido a que todo el día estaba lloviendo. Yo tmabién le suelo dar un pistoletazo con agua a presión. De hecho, el otro día nada más llegar del viaje desde Ciudad Real, lo metí al lavadero, 1e y a limpiarlo. Al menos así le quité la sal. -
Me había leído la primera crónica y era buenísima, pero la segunda es también impresionante!!! Con que del Bierzo es este chico....Es que allí cae cada una que "pa qué".
-
Que fotos más bonitas....y sobre todo los coches. Estos nuevos avant son preciosos, no como los C5...
-
Necesito ayuda con pulido de A3
a34323 responde a discow de discusión en Cuidados básicos y limpieza del automóvil.
Yo suelo llevarla siempre en el 3 en pulidos de corte. Luego en pulido intermedio bajo un poco a 2,5 y en acabado me quedo en 1 o 1,5. Si controlas bien la pulidora, yo metería esa velocidad. Y haz lo que te comento...probar en una zona pulimentos y esponjas y encontrar cual es la mejor combinación. Y hasta que no logres quitar los daños que tengas, seguiría probando. Si no haces esto así, estarás perdiendo el tiempo puliendo.En el show off que anda por aquí colgado de dos pulidos a audis a4 me pasó algo similar a lo que te ocurrió a tí. Pulí el primer audi y todo perfecto. Para el segundo hice la misma mezcla y no se quitaron los swirls bien porque la laca del primer audi era repintada. y el del segundo era original y tenía que haber usado más poder de corte. Y si sumas que por aquellas no tenía foco y el día estaba nublado, no pude comprobar si estaba quitando o no los daños. -
Nas Apañero.perdona pero esos codigos salen apretando las teclas recirculacion y aire hacia arriba del clima y en los que he encontrado por ahi no coinciden con lo que sale en mi clima revisare los post a ver pero hace ya un tiempo que desisti. S2 Ya estoy por Salamanca...ya te avisaré y quedaremos...
-
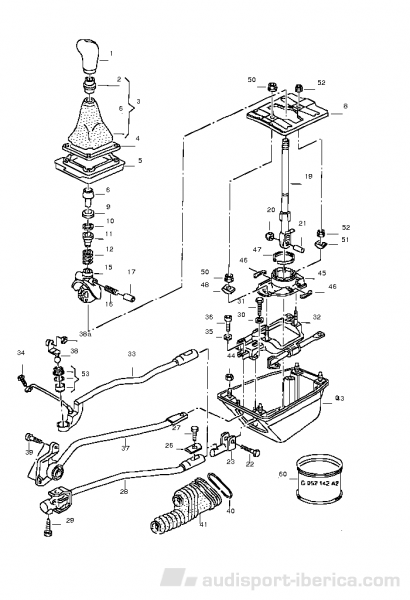
A este paso terminamos desmontando entre los 3-4 perjudicados el cambio para ver de donde puede ser este desajuste.... Para Jilguero que quería un esquema:
-
Necesito ayuda con pulido de A3
a34323 responde a discow de discusión en Cuidados básicos y limpieza del automóvil.
Te recomiendo lo siguiente para tus siguientes pulidos: 1) Usa un foco halógeno para poder ver esos swirls. 2) En vez de pulir todo el coche porque sí con unos pulimentos y esponjas, elige una parte del coche (capó,aleta) donde te sea comodo trabajar y ve haciendo pruebas con todo lo que tienes, has que veas que combinación es la buena para eliminar todos los swirls. Entonces, será cuando pulas todo el coche. No siempre es necesario usar pulimentos de corte para quitar swirls 3) Ten en cuenta que la laca de audi es de las más duras junto con Mercedes. Debido a ello, será necesario más agresividad en pulimentos y en esponjas para eliminar esos swirls. También puedes darle dos o tres pasadas al panel para eliminar definitivamente todo. 4) que velocidades has usado con la pulidora? -
Pero has probado con los de los dos post que te he pasado? porque sí que habia alguna diferencia...Yo la verdad es que no los he probado.....porque como tenía el vagcom...
-
Ana, a pesar de no conocer a tu hermano, leí mucha información sobre él y era un chico fantástico. Siempre recordaré su historia. Un abrazo muy fuerte, Emilio
-
Barras de techo Auto Maxi
a34323 responde a RubénA6 de discusión en Audi A6 / Allroad C5 (1997-2004)
Rubén, muy chulas las barras...queda muy guapo el coche así. Te recuerdo aún cuando te vi llegar a Kinépolis con el coche montado.... Lo único, no hacen mucho ruido? Es que un amigo tiene montadas las Thule para llevar bicis y hace un bufido que no veas... Supongo que será algo normal de llevar baca... A los de los muertos en el maletero: Yo en el último viaje para venir a Salamanca, traía todo el maletero y parte del asiento de atrás lleno. Y todo era para mi. Que avaricia que soy.... -
ECU A6 2.5 TDI 150 CV año 1999
a34323 responde a raalag de discusión en Audi A6 / Allroad C5 (1997-2004)
Si te pones defrente al motor, la ECU esta a la derecha arriba del todo. Esta debajo de la tapa de plastico negra. Para sacar la tapa de plastico tendrás que quitar los brazos de los limpias. Edito: Si pinchas en el siguiente link, busca el archivo del manual de montaje del tampomat. En él podrás ver todo lo necesario para quitar esa tapa, porque en el proceso de montaje del tempomat hace falta acceder a la ECU http://www.audisport-iberica.com/foro/inde...showtopic=72368 UN saludo, y por esta aportación quiero tambien fotos!!!jijijiji -
Un forero de ASI de Ciudad Real tenia un cable que hacía las repros a todos los coches. No sé si él tocó algo o no de su audi...pero si lo hizo, luego lo dejó original. No se fiaba mucho.
-
Que buena la historia del panda...jajajajaja....Es que ese coche esta preparado para la guerra...No me lo quiero imaginar con ruedas de tacos como debe ir el cacharrito. Es también curioso el video que ha colgado un forero en esa página del panda nuevo contra el Range Rover. Aunque desde mi punto de vista es muchisimo más campero el antiguo Panda que el nuevo, que parece que este último se vaya a romper....
-
Pues yo le aligeraba el frontal a la chica y luego le hacía un bien encerado. Le lavaba los bajos bien, y luego le daba bien de cera....
-
Golfi...no me fastidies que te han cobrado 1000e por cambiar vlavulina del cambio??? Pero si a mi me han cobrado en un taller 50e y creo que me estoy pasando de precio.... Sobre la dureza del cambio, a mí tan solo me pasa al meter segunda(desde que lo compré hace dos años esta así). No es de que le cueste, sino que la palanca no pasa en linea recta de primera a segunda. Tengo que girar la palanca un poco a la derecha, y ya ahí entra la segunda. Sabéis de que puede ser?
-
Toni me encanta! Tienes muy buen gusto. Me gusta muchísimo como tienes el coche. Impresionante!
-
Bienvenido Madelgado!!! Me encantan todas tus ñapas...joer....eres todo un artista!!! Por cierto,....no veo las fotos...no sé si es por mi pc, o es que tienen algún error de edición... UN saludo desde Salamanca!!
-
Temperatura de motor en A6 2.5 TDI Quattro
a34323 responde a Fuego_Rider de discusión en Audi A6 / Allroad C5 (1997-2004)
Golfi, yo uso 5w40 de castrol edge y me va muy bien. No me consume nada de aceite. Estoy encantado por ello... La temperatura? Pues a mi me sube la del agua refrigerante y el del aceite en 15km a 100km/h tengo todo el coche listo para pisarle. -
Estimado compañero Ribera, COmo feliz propietario que eres de varios Audis, te reclamo unas fotos de todos tus coches. Quiero fotos de frente, culo, interior....y saber carácteristicas de os coches...motor, extras,... Ya se que pido mucho...pero es que soy de un cotilla....jejejejeje UN abrazo y bienvenido!!
-
Que buen relato....y que comentaron los chicos? Porque rozar el coche tan pronto....
